
24小時服務熱線:135-0317-6066
Product display
Hot News
Contact Us
河北省獻縣滄恒環保設備廠
聯系人:王經理
電 話:0317-4641055
手 機:135-0317-6066
郵 箱:cangheng@qq.com
地 址:獻縣陳莊鎮經濟開發區



一、簡介
LHF型系列大氣回轉反吹袋式除塵器是我滄恒環保參考國內外資料,廣泛調查征求歷年來的用戶意見,凝聚了國內外各類袋式除塵器的優點研制而成,是將旋風除塵機理和過濾式除塵機理有機組合,采用大氣或回轉風反吹方式進行清灰的新型除塵裝置。一九九一年被評為優質產品,九二年被國務院環境保護委員會環保局列為最佳實用技術推廣項目。

二、工作原理
當含塵氣流進入除塵器后,先由旋風體將大顆粒粉塵分離落入灰斗,微小顆粒懸浮于氣體中通過氣流分布裝置,均勻進入過濾室彌漫于濾袋的間隙間。凈化氣體由主風機排出。粉塵被阻留在濾袋外表面,隨著粉塵的不斷增厚,除塵布袋的阻力也不斷增大,此時除塵器的定阻值壓差控制系統或定時值自控裝置發揮作用,觸發電控系統打開切換閥接通反吹氣流,通過旋轉臂上的吹口,逐個對濾袋進行反吹清灰,使濾袋阻力下降到一定的數值,維持除塵器的連續性工作。
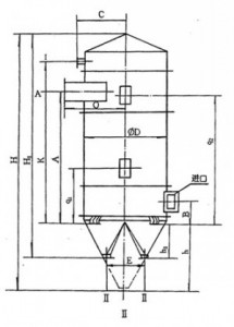
三、技術性能
型號\參數、項目  | 過濾面積  | 濾袋參數  | 處理風量  | 重量  | 清灰機構  | |||||
規格  | 數量  | 圈數  | 過濾風速  | 風量  | 減速機  | 切換閥  | ||||
m2  | mm×mm  | 只  | n  | m/s  | m3/h  | T  | kw  | kw  | ||
LHF-060  | A  | 60  | 800×2250  | 30  | 1  | 0.5-1  | 1800-3600  | 5.1  | BWY  | Mq1-15kg  | 
B  | 1-1.5  | 3600-5400  | ||||||||
C  | 1.5-2  | 5400-7200  | ||||||||
LHF-080  | A  | 80  | 800×3000  | 30  | 1  | 0.5-1  | 2400-4800  | 5.8  | ||
B  | 1-1.5  | 4800-7200  | ||||||||
C  | 1.5-2  | 7200-9600  | ||||||||
LHF-120  | A  | 120  | 800×2250  | 66  | 2  | 0.5-1  | 3600-7200  | 7.35  | ||
B  | 1-1.5  | 7200-10800  | ||||||||
C  | 1.5-2  | 10800-14000  | ||||||||
LHF-160  | A  | 160  | 800×3000  | 66  | 2  | 0.5-1  | 4800-9600  | 7.98  | ||
B  | 1-1.5  | 9600-14400  | ||||||||
C  | 1.5-2  | 14400-19200  | ||||||||
LHF-240  | A  | 240  | 800×2250  | 128  | 3  | 0.5-1  | 7200-14400  | 8.75  | ||
B  | 1-1.5  | 14400-21600  | ||||||||
C  | 1.5-2  | 21600-28800  | ||||||||
LHF-310  | A  | 310  | 800×3000  | 128  | 3  | 0.5-1  | 9300-18600  | 9.7  | ||
B  | 1-1.5  | 18600-27900  | ||||||||
C  | 1.5-2  | 27900-37200  | ||||||||
LHF-380  | A  | 380  | 800×2250  | 210  | 4  | 0.5-1  | 11400-22800  | 11.4  | ||
B  | 1-1.5  | 22800-34200  | ||||||||
C  | 1.5-2  | 34200-45600  | ||||||||
LHF-500  | A  | 500  | 800×3000  | 210  | 4  | 0.5-1  | 15000-30000  | 13.6  | ||
B  | 1-1.5  | 30000-45000  | ||||||||
C  | 1.5-2  | 45000-60000  | ||||||||
備注:以上所有技術參數僅供參考,如有更改不另行通知。